Sa mundo ng paghahatid ng kapangyarihan at paghawak ng materyal, ang mapagpak...
MAGBASA PA
Stock code: 920002
| Roll center circle diameter D(mm) | Pinakamataas na pagpapalihis sa eroplano ng suporta Amax(mm) |
| ~1000 | 0.6 |
| >1000~1500 | 0.8 |
| >1500~2000 | 1 |
| >2000~2500 | 1.3 |
| >2500~3000 | 1.6 |
| >3000~3500 | 2 |
| >3500~4000 | 2.5 |
| >24000~4500 | 3 |
| >4500~5000 | 3.6 |
| >5000~5500 | 4.2 |
| >5500~6000 | 4.8 |
| >6000~7000 | 5.8 |
| >7000~8000 | 7 |
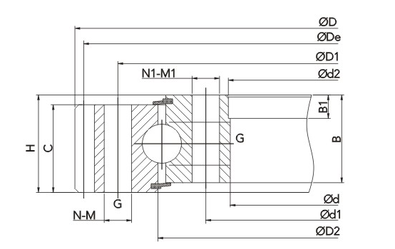
| Bearing No. | Dimensyon(mm) | Timbang (kg) | Ref. Hindi. | |||||||||||||||
| d | d1 | d2 | D | D1 | C | H | B | B1 | N-M | N1-M1 | De | m | z | k.m | G | |||
| WDC-011-0093-02 | 50 | 68 | 52 H9 | 150 | 118 | 20 | 25 | 20 | 5 | 8-Φ8.5 | 8-Φ8.5 | 145 | 2.5 | 58 | 0 | 1-M6*1 | 2 | 011.10.0093.A |
| WDC-011-0140-01 | 85 | 115 | 90 H9 | 200 | 165 | 20 | 25 | 20 | 5 | 8-Φ65 | 8-Φ6.5 | 196 | 2 | 98 | 0 | 1-M6*1 | 12.9 | 011.10.0140.A |
| WDC-011-0235-01 | 171 | 195 | 173 H8 | 318.6 | 275 | 35 | 40 | 35 | 6 | 12-Φ13 | 12-Φ13 | 312 | 4 | 78 | 0.7 | 2-Rc1/8 | 12.9 | 011.16.0235.A |
| WDC-011-0289-01 | 210 | 240 | 212H9 | 379 | 335 | 40 | 45 | 40 | 10 | 24-Φ13.5 | (24-1)-Φ13.5 | 372 | 4 | 92 | 0.5 | 2-M10*1 | 20 | 01-0289-06 |
| WDC-011-0342-01 | 265 | 295 | 267H9 | 440 | 390 | 44 | 50 | 44 | 10 | 16-Φ17.5 | 16-Φ17.5 | 432 | 4.5 | 95 | 0.5 | 2-M10*1 | 28 | 01-0342-00 |
| WDC-011-0422-01 | 323 | 368 | 324 H9 | 529 | 476 | 50 | 54 | 50 | 10 | 20-Φ17.5 | 20-Φ17.5 | 520 | 5 | 103 | 0.5 | 2-M10*1 | 46 | 01-0422-01 |
| WDC-011-0555-01 | 455 | 490 | 460 H9 | 689 | 620 | 64 | 74 | 64 | 10 | 30-Φ17.5 | (30-1)-Φ17.5 | 678 | 6 | 112 | 0.5 | 3-M10*1 | 89 | 01-0555-01 |
| WDC-011-0626-01 | 516 | 560 | 520 H9 | 774 | 692 | 72 | 82 | 66 | 10 | 24-Φ22 | 24-Φ22 | 760 | 8 | 94 | 1 | 3-M10*1 | 120 | 01-0626-00 |
| WDC-011-0880-01 | 770 | 815 | 775H9 | 1022 | 945 | 72 | 82 | 66 | 10 | 36-Φ22 | 36-Φ22 | 1008 | 8 | 125 | 1 | 4-M10*1 | 161 | 01-0880-00 |
| WDC-011-0947-01 | 833 | 880 | 835H9 | 1094 | 1015 | 72 | 82 | 66 | 10 | 36-Φ22 | 36-Φ22 | 1080 | 8 | 134 | 1 | 4-M10*1 | 181 | 01-0947-00 |
| WDC-011-1050-01 | 930 | 975 | 935 H⁹ | 1218 | 1125 | 88 | 98 | 80 | 10 | 40-Φ22 | 40-Φ22 | 1200 | 10 | 119 | 1 | 4-M10*1 | 280 | 01-1050-00 |
| WDC-011-1180-01 | 1045 | 1100 | 1050 H9 | 1358 | 1260 | 88 | 98 | 80 | 10 | 40-Φ26 | 40-Φ26 | 1340 | 10 | 133 | 1 | 4-M10*1 | 328 | 01-1180-00 |
| WDC-011-1295-01 | 1200 | 1236 | 1202 H9 | 1431 | 1354 | 54 | 63 | 54 | 10 | 24-Φ17.5 | 24-Φ17.5 | 1416 | 8 | 177 | 0.5 | 4-M10*1 | 183 | 01-1295-01 |


Sa mundo ng paghahatid ng kapangyarihan at paghawak ng materyal, ang mapagpak...
MAGBASA PA
Forklift Bearing direktang nakakaapekto ang pagganap sa kaligtas...
MAGBASA PA
Pag-unawa sa Kritikal na Papel ng Mast Bearings sa Paghawak ng Materyal Na...
MAGBASA PA
Pag-unawa sa Mga Pangunahing Kaalaman ng Pinagsamang Roller Bearings sa Forkl...
MAGBASA PA
Ang kahusayan sa pagpapatakbo at kaligtasan ng anumang mga materyales na huma...
MAGBASA PA